產品說明

訂貨號 DN54827 母線加長連接夾 1600 A
適用母線 2T型 異形母線
產品信息 | |
產品應用 | 母線加長連接 |
適用系統 | 60mm |
訂貨編號 | DN54827 |
產品類型 | 連接夾 |
額定電壓 | AC 690V |
額定電流 | 1600A |
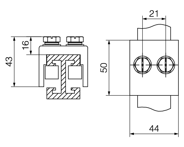
產品尺寸 寬×高 (mm) | 50×44 |
產品重量 | - |
適用母線 | 異形銅母線 2T型 |
緊定螺釘 | M8×30 |
參考標準 | IEC 61439-1 |
注:以上數據僅供參考,具體參數請咨詢工程師。 | |
適用條件

適用主母線
2T形母線
產品優勢

采用無孔連接技術,通過母線夾可直接對電纜、母線進行連接,便捷高效
尺寸圖

DN54827 外形尺寸(mm)

文件下載
