產品說明

訂貨號 DN55364
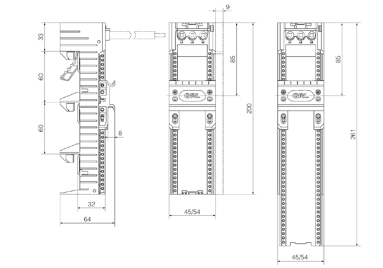
54×200 單支架
3 極,自帶 6mm2電纜
適用母線
12、15、20、25、30×5、10 標準銅母線和異形銅母線
外形尺寸
寬 × 高 × 深(mm):54 × 200 × 64
| 主要技術參數 | |
產品應用 | 斷路器安裝 |
適用系統 | 60mm |
訂貨號 | DN55364 |
產品系列 | ZJQ-32 |
產品類型 | 微型斷路器轉接器 |
極數 | 3P |
| 額定工作電壓Ue | AC 690V |
額定絕緣電壓Ui | 800V |
額定沖擊耐壓Uimp | 6kV |
額定工作電流Ie | 32A |
符合標準 | IEC 61439-1、GB/T 7251.1 |
認證許可 | TUV 文件:CH 50453055 CCC 認證:無需強制認證 |
注:以上數據僅供參考,具體參數請咨詢工程師。 | |
適用條件

適用于60mm間距的封閉式母線系統中
12、15、20、25、30×5、10 標準銅母線和異形銅母線
斷路器承載轉接器的短路保護,適配斷路器:
iC65系列、SH203系列、5SN6系列、DZ47系列、M-L7系列
產品優勢

可靠與安全:短路和過載保護,確保安全可靠。
模塊化設計:模塊化安裝快速,布局整潔美觀。
可視化操作:分、合閘可視化,支持掛鎖保護。
多功能集成:集成電能測量,可遠程輸出功能
檢修與維護:電路容量靈活調整,降低維護難度。
尺寸圖


文件下載
