產品說明

DN55221轉接器 250A 三極 上至系統/下至系統
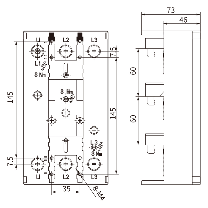
塑殼尺寸
35×145×M4
塑殼示例
伊頓 NZM2-250
寬×高×深 mm
105×192×73.4
| 主要技術參數 | |
產品應用 | 斷路器安裝 |
適用系統 | 60mm |
訂貨號 | DN55221 |
產品系列 | ZJQ-250 |
產品類型 | 轉接器 |
極數 | 3P |
| 額定工作電壓Ue | 690V |
額定絕緣電壓Ui | 1000V |
額定沖擊耐壓Uimp | 6kV |
額定工作電流Ie | 250A |
符合標準 | IEC 61439-1、GB/T 7251.1 |
認證許可 | TUV|CH 50453055 |
注:以上數據僅供參考,具體參數請咨詢工程師。 | |
適用條件

適用于60mm母線系統中
12、15、20、25、30×5、10 標準銅母線
塑殼尺寸
35×145×M4
塑殼要求
需板后能開孔
連接系統
上端至系統/下端至系統
適配斷路器
伊頓 NZM2-250
附件
接線柱附件包
產品優勢

可靠與安全:短路和過載保護,確保安全可靠。
模塊化設計:模塊化安裝快速,布局整潔美觀。
可視化操作:分、合閘可視化,支持掛鎖保護。
多功能集成:集成電能測量,可遠程輸出功能
檢修與維護:電路容量靈活調整,降低維護難度。
尺寸圖


文件下載
