產品說明

產品名稱:充電樁用熔斷體
產品型號:DNT000-M1M
額定電壓:800 V dc
額定電流:25~400 A
額定分斷能力:50 kA
分斷范圍及使用類別:aR
產品尺碼:000
安裝形式:矮凳子型
產品重量:150 g(±3% )
安裝要求:M8(11±1 N.m)
時間常數:10~15 ms
認證標志:CCC、TUV、
參考標準
IEC 60269-4
GB/T 13539.4
| 產品型號 | 額定電流In | I2t(A2S)弧前 | I2t(A2S)熔斷 | 0.5In 功率 | 0.8In 功率 | 1.0In 功率 |
| DNT000-M1M-25A/800V dc | 25 | 320 | 1600 | 1 | 4 | 7 |
| DNT000-M1M-32A/800V dc | 32 | 420 | 1900 | 1 | 4 | 8 |
| DNT000-M1M-40A/800V dc | 40 | 500 | 2300 | 2 | 6 | 10 |
| DNT000-M1M-50A/800V dc | 50 | 720 | 3100 | 2 | 7 | 13 |
| DNT000-M1M-63A/800V dc | 63 | 1100 | 4400 | 3 | 9 | 16 |
| DNT000-M1M-80A/800V dc | 80 | 1700 | 8300 | 4 | 11 | 20 |
| DNT000-M1M-100A/800V dc | 100 | 2700 | 12600 | 4 | 13 | 24 |
| DNT000-M1M-125A/800V dc | 125 | 3100 | 13200 | 5 | 17 | 30 |
| DNT000-M1M-160A/800V dc | 160 | 4700 | 19600 | 7 | 21 | 39 |
| DNT000-M1M-200A/800V dc | 200 | 6500 | 27600 | 9 | 26 | 48 |
| DNT000-M1M-250A/800V dc | 250 | 13300 | 53300 | 11 | 32 | 59 |
| DNT000-M1M-315A/800V dc | 315 | 16600 | 66600 | 13 | 39 | 70 |
| DNT000-M1M-350A/800V dc | 350 | 20500 | 86700 | 14 | 43 | 78 |
| DNT000-M1M-400A/800V dc | 400 | 25300 | 177100 | 16 | 50 | 90 |
適用條件

-充電樁系統
產品優勢

-易于安裝和替換。
-占比空間小,適用范圍廣。
-快速熔斷,為電路提供保護。
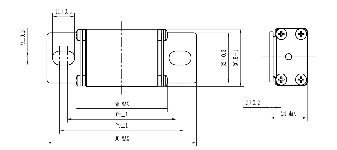
尺寸圖

外形尺寸

特性曲線

文件下載

如果您有任何關于合作的報價或有任何查詢,請隨時給我們發電子郵件scb@grlele.com或使用下面的查詢表格。我們的銷售代表將在24小時內與您聯系。感謝您對我們產品感興趣。
我想購買DNT000-M1M